Difference between revisions of "LincX2PRO/DB6I Physical Install"

(Prerequisites)
 
Line 9: Line 9:
 
*[[Mobile/Create_Dahua_Online_Account|Dahua Online Account]]
 
*[[Mobile/Create_Dahua_Online_Account|Dahua Online Account]]
 
*A Mechanical or Electronic Door Chime
 
*A Mechanical or Electronic Door Chime
 +
*When using 2 wires, it’s recommended to use cables that are at least 18 gauge.
  
 
==Step by Step Instructions==
 
==Step by Step Instructions==

Latest revision as of 00:38, 14 November 2024

DB6I Physical Install

Description

This article will cover how to physically connect a DB6I to a door chime

Prerequisites

Step by Step Instructions

IMPORTANT NOTICE: Disable the power to your doorbell and door chime before beginning physical installation

1. If not already done, disconnect the wire from the existing doorbell, that goes between it and the "FRONT" terminal on the door chime (#1 below).
Disconnect the wire from the exisiting doorbell, that goes between it and the Power Transformer (#2 below)

DB11PhysicalInstall0.png

1 DB6I and 1 Door Chime

2. Wire the DB6I, Transformer, Door Chime, and Chime Kit according to the following diagram:

DB6IPhysicalInstall1.png

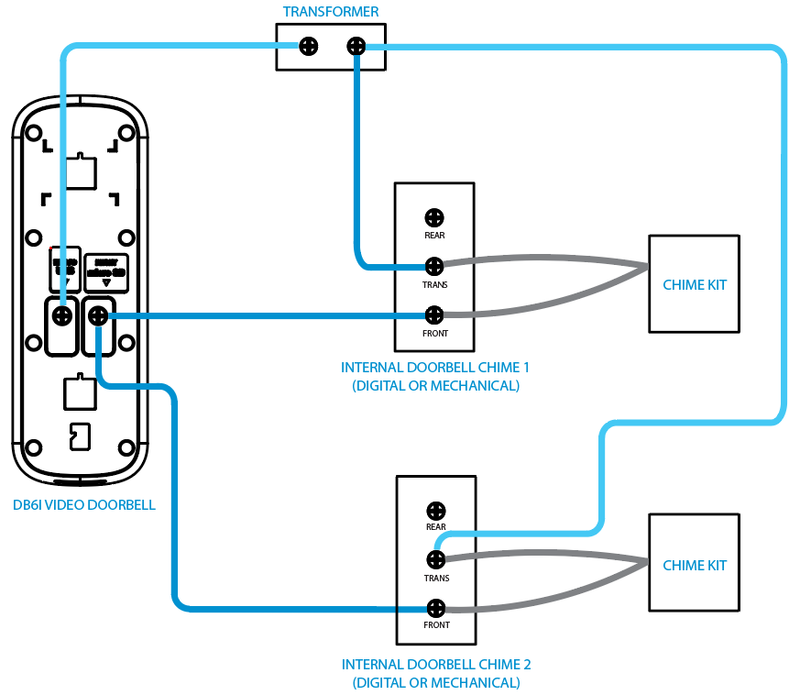
1 DB6I and 2 Door Chimes

2. Wire the DB6I, Transformer, 2 Door Chimes, and Chime Kits according to the following diagram:

DB6IPhysicalInstall2.png

2 DB6Is and 1 Door Chime

2. Wire the DB6Is, Transformer, Door Chimes, and Chime Kits according to the following diagram:

DB6IPhysicalInstall3.png


3. The DB6I will now be installed in place of your previous doorbell.
It is safe to turn the power back on to the door bell system/power transformer

DB6IPhysicalInstall4.png

4. Open the DMSS mobile app and tap on Home to locate your device list.
Select your DB6I device and tap on the ... icon.

DB6IPhysicalInstall5.png

5. Tap on Device Details.

DB6IPhysicalInstall6.png

6. Tap on Chime Link

DB6IPhysicalInstall7.png

7. Select either Mechanical Chime if you are using a Mechanical door chime or Electronic Chime if you are using an Electronic door chime.
Then tap on Save at the top right.

DB6IPhysicalInstall8.png

8. Your settings will be saved when it say "Saved configuration successfully."

DB6IPhysicalInstall9.png